Radiomann
von Michael S.
(geschrieben aus der Sicht des 13-Jährigen. Bitte lest auch die Einführung dazu!)

Mitte der Fünfzigerjahre , Haigerloch/Hohenzollern. Auf halber Talhöhe über der Eyach steht bleich und einsam das „Missionshaus der Weißen Väter“, ein katholisches Bubeninternat für etwa 100 Schüler, die von 10 Patres unterrichtet und betreut werden. Ich bin einer der Schüler, schon seit Jahren.
In den vergangenen Sommerferien war der Superior Pater Eisele gestorben. Sein Nachfolger, Pater Hück, kam von auswärts und machte zuerst einen sanften Eindruck. Doch nach und nach dehnte er das Schweigegebot, die Gottesdienste, Rosenkränze, Sündenregister und Beichtpflichten für seine Internatsschüler immer weiter aus auf ein bislang nicht gekanntes Ausmaß. Es gab schon vorher kein freies Radio, keinen Fernseher, keinen Plattenspieler, keine Zeitung, kein Telefon und keinen Ausgang, außer dem geordneten Spaziergang am Sonntagnachmittag oder mittwochs unter Aufsicht eines Paters.
Die Post wurde zensiert, wie alles, was wir zu lesen und zu hören bekamen. Der Tagesablauf war vollständig geregelt, fremdbestimmt und durch die Hausschelle in zig Abschnitte zerteilt. Vor und nach jedem Abschnitt wurde gebetet und in jedem Abschnitt war vorgeschrieben, wo man sich aufzuhalten hatte, im Klassenzimmer, Speisesaal, Schlafsaal, draußen oder in der Hauskapelle. In den Räumen war immer derselbe vorbestimmte Platz bei denselben Nachbarn einzunehmen, es gab keinen Privatbereich, keine Rückzugsmöglichkeit. Man war 24 Stunden am Tag mit andern Schülern zusammen, durfte aber etwa 90% der Zeit nicht mit ihnen plaudern weil das Schweigegebot galt, das „Silentium“. „Guten Morgen“ oder „Gute Nacht“ zu wünschen war ganz unmöglich, denn schon vor dem Schlafengehen und bis lang nach dem Aufstehen herrschte das „Große Silentium“, dessen Übertretung scharf geahndet wurde, z.B. mit Kartoffelschälen in der Mittagspause oder mit Verzicht aufs Frühstück – beim ersten Mal.
Wer die Hausregeln notorisch brach, wurde entlassen, manchmal fristlos. Das kam einer Katastrophe gleich, denn die Missionsschule hatte keine staatliche Anerkennung und der Rausgeschmissene saß zwischen allen Ausbildungs- Stühlen, musste zuhause oft unter Spott in die Volksschule zurück und war überdies schwerer Verfehlungen verdächtig. Eine moralische Instanz, das kirchliche Internat, hatte ihn ausgeschlossen, sozusagen exkommuniziert.
Wir sollten alle katholische Priester-Missionare werden, eben Weiße Väter. Superior Eisele hatte das nicht so eng gesehen, aber Superior Hück verkündete: „Wenn du nicht Priester werden willst, musst du es mir sagen, sonst versündigst du dich“. Er entließ die Ehrlichen, die das einräumten und bald waren wir von 110 Schülern auf 80 geschrumpft. Die Verbliebenen ertrugen derlei Versündigung.
Hück bereitete auf den kommenden Zölibat vor und ließ uns beten: „Herr, wir danken Dir für die Erschaffung der Menschen, auch für die Mädchen, die aber nichts für uns sind“. Das hübsch gewordene Küchenmädchen „Jim“ wurde entfernt, als sich Missionschüler in sie verguckten. Die noch verbliebenen „Küchenweiber“, z.B. „Sioux“ und „Quampe“ waren keine Versuchung, aber sie hatten ein gutes Herz, die ältere Sioux soll sogar bei Schüler-Finanzklemmen ausgeholfen haben. Oberhalb des Missionshauses gab es noch das „Progymnasium“. Dessen gemischte Schülerschaft nutzte bisweilen in der großen Schulpause den zum Missionshaus hinabführenden St.- Annaweg mit uns als Schlittenbahn. Als sich das temperamentvollste „Pro-Mädchen“ vor einen Missionsschüler auf den Schlitten setzte, verbot Hück weiteres Schlittenfahren.
Für den Speisesaal wurde Plastikgeschirr angeschafft. Die Haare der Schüler sollten bis hoch über die Ohren geschert sein – wir näherten uns auch äußerlich dem Gefangenenstatus. Der Einbau undurchsichtiger Milchglasscheiben im Erdgeschoss des Missionshauses und die Errichtung eines 4 m hoher Maschendrahtzauns um den Schulhof herum komplettierten Hück ́s abgeschotteten Mini- Gottesstaat. In diesem eingeschlechtlichen Ghetto gediehen die vertikalen Verbindungen: nach oben zum Himmel, zum lieben Gott, wohin die Gebete aufstiegen und von wo die Gnade herabkommen sollte, aber auch nach unten, zum Teufel, der keine Ruhe gab und mit neu eingerichteter täglicher Beichtgelegenheit (während der Messe) bekämpft wurde.
Auch horizontal erfuhr die Gnade der Nächstenliebe einen Aufschwung: Die Schüler bekundeten sich vermehrt gegenseitige Nächstenliebe, die auch mehr oder weniger erotisch angehaucht sein durfte. Sympathische Schüler, die besonders viel Nächstenliebe auf sich zogen, waren aber selten, und so blieben Verwirrungen der Zöglinge eher die Ausnahme und es dominierten die kumpelhaften Freundschaften im Haus, gleichwohl mit der Tendenz, die Hausregeln zu unterlaufen. Wer keinen Freund hatte, wurde leicht zum Mobbing-Opfer. Es fing mit der Vergabe eines gemeinen Spitznamens an, der eine Schwäche des Opfers hervorhob. Psychische Auffälligkeiten sah man reichlich, manche Schüler sprachen fast gar nicht mehr. Ich selbst spürte nur wenig Gnade von oben und versuchte den Himmel anderweitig aufzutun, schickte Drachen und Segelflieger in die Luft, baute ein astronomisches Fernrohr. Da freute ich mich an der Freiheit die der Himmel bot. Doch die Drachenschnur riss regelmäßig, der Flieger stürzte irgendwann ab und der selten mögliche Blick ins kalte Weltall während der zwanzigminütigen Abendpause ließ mich frieren und meine Verlassenheit um so mehr spüren, denn die paar Mitschüler, die den Mond oder den doppelt geschweiften „Arend-Roland“ Kometen sehen wollten waren bald wieder weg und Patres nahmen keine Notiz, weil sie glaubten, ich würde „Fernrohr spielen“ mit meiner Pappröhre. Diese hatte jedoch 3 Linsen eingebaut, und spendete dem Auge einen fünfzigfache, auf dem Kopf stehende Vergrößerung.
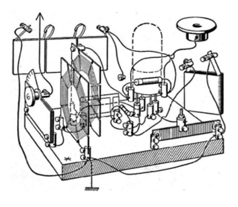
„Vom Gebirg zum Ozean, alles hört der Radiomann“ stand auf dem Experimentierbaukasten des Kosmos-Verlags, den ich mir von den Eltern gewünscht hatte und der dann zuhause, Weihnachten 1956, unterm Christbaum lag. Darauf war auch ein Junge abgebildet, der mit dem Kopfhörer in die Ferne lauscht. Das war es, was ich brauchte, ein kleines Batterie-Radio mit leisem und doch so weit reichendem Empfang. Vielleicht konnte ich damit jederzeit und überall trister Missionshausatmosphäre heimlich entweichen.
„Radiomann“, so nannte ich auch den fertig gebauten Empfänger. Er benötigte einen langen Antennendraht zum Himmel hin sowie eine Leitung zum Erdreich, eine „Erdung“, was auf dem Werbeprospekt nicht gestanden hatte. Es fehlte auch die teure Doppelgitterröhre, die es dann zu Ostern gab – von den Eltern.
Privates Schülerradio noch dazu mit Kopfhörer-Empfang, das war unerhört im Missionshaus. Mir war klar, dass verschwiegenes Radiohören die bestehende Abschottung aushebeln würde und so entschloss ich mich für heimliche Inbetriebnahme ohne einen Mitschüler zu informieren.
Nächtliche Empfangsversuche mit aus dem Schlafsaalfenster hinausgehängter Kupferlitze als Antenne und einem unter den Mitschülerbetten hindurch geschobenen und in den Hahn eines Waschbeckens hineinendoskopierten Erdungsdraht scheiterten an Wackelkontakten, Kabelsalat und der Dunkelheit. Es war riskant, zu warten, bis scheinbar alles schlief, um dann das „große Silentium“ einfach so mit den Mitteln der modernen Technik zu brechen, verpönten Jazz und Negermusik zu hören und vielleicht jugendgefährdenden Sendungen zu lauschen, die es angeblich im Radio gab. Leicht möglich, dass mich da ein Mitschüler beobachten und verraten würde. Und immer wieder schlich Hück persönlich des Nachts durch den von einem Infrarotlämpchen fahlhell gehaltenen Schlafsaal. Nicht auszudenken, wenn er mich da erwischt hätte. Ich suchte also nach einer anderen Lösung für den Radiomann.
Kumpel Franz wurde eingeweiht und auf der Suche nach einem guten Radio-Standort erkundeten wir den riesigen verwinkelten und balkendurchzogenen Missionshaus-Speicher und fanden dort ein vom Dachboden aus aufsteigendes Balkenfachwerk, welches bis zu einem Bullaugen-Fensterchen hinaufreichte.
Man konnte über eine leiterartige Treppe hochsteigen und befand sich da oben auf einem breiten Bretter-Hochsitz direkt unterm höchsten Dachfirst des Missionshauses. Von hier aus ragte mal eine lange Eisenstange vertikal in den Himmel. An deren Fuß war ein Metallband angeklemmt, wohl ein Blitzableiter, nutzbar als Erdungsleitung für meinen Radiomann.
Das Fensterchen durchbrach als glaslose Röhre die Außenwand der zur Eyach blickenden Giebelfront in einem Durchmesser von etwa 50 cm und diente zur Speicherentlüftung. Das Wichtigste aber: am äußeren Ende des Fenster-Tunnels war die Kupferdraht-Antenne für das Patres-Radio verankert und die verlief in weitem Bogen zu einer 20 m entfernten hohen Tanne.
Bald stand der Radiomann angeschlossen an die Patres - Antenne und den Blitzableiter in der Fenster-Röhre. Es waren ideale Bedingungen für Mittelwellenempfang, auch bei Tag, hier oben auf der höchsten Stelle des Missionshauses.

Da saßen wir nun in den Mittagspausen der heißen Julitage des Jahres 1957, klemmten die Heizungs- und Anodenbatterien an, sahen die Doppelgitterröhre leuchten, bewegten den Drehkondensator und die Rückkopplungsspule. Wenn dann zwischen Pfeifen und Schwinden Cornelias „Pack die Badehose ein“ vom Süddeutschen Rundfunk Stuttgart erklang oder wir gar einige Takte „Jailhouse-Rock“ von Elvis aus dem Süwestfunk Baden Baden erhaschten, da waren wir aus dem Missions-Gefängnis gedanklich schon entwichen. Bill Haley ́s „Rock Around the Clock“ war das Allerhöchste, aber auch bei Belafontes „Banana Boat Song“ gab es vor Begeisterung Gänsehaut. Das war nun wirklich was anderes, als die Kirchenlieder, die wir ausschließlich zu hören bekamen oder singen mussten.
Aber meist kam Durchschnittliches aus dem Kopfhörer. Ein Rundfunksprecher reimte: „Donnerwetter, Donnerwetter, was ist das für ein Badewetter“ und erklärte, dass die große Hitze von den Sonnenflecken herrühre. Ein anderer Herr orgelte: „Sie hören buntjemisht von der deutschen Funkwerbunk“. Eine Hausfrau stritt für weiße Wäsche und sagte „Pesil bleibt Pesil“. Schepprig plärrte ein Chor „Eisgekühlte Coca-Cola, Coca Cola eisgekühlt“ und der Pfleiderer näselte den Häberle an. Hier gab ́s noch was zu lachen, aber witzlos waren für uns der „lachende Vagabund“, die Caprifischer oder die so häufigen Operettenklänge. Das war die langweilige Musik der Elterngeneration.
Kam Freddys „brennend heißer Wüstensand, fern so fern vom Heimatland“ drohte die Stimmung zu kippen. Freddy mimte zwar den Fremdenlegionär in Algerien, aber auch wir sollten dort mal als Afrika-Missionare durch die Wüste ziehen und fern der Heimat waren wir jetzt schon.
Wenn wir Radio Beromünster aus der Schweiz reinkriegten, kam bestimmt die ausführliche „Wetterprognose für Wallis, Alpennordseite, Ober und Mittelbünden, Wetterlage...“. Das erinnerte mich an das Campen mit den Eltern auf dem Sustenpass, an die durch Wetterstürze in Bergnot geratenen Alpinisten oder an das bei Nacht über dem Zelt tobende Gewitter unter der Eigernordwand in Grindelwald. Das war in den ersten großen Ferien im Sommer 1954, an deren Ende ich nicht glauben wollte, wieder nach Haigerloch zurückzumüssen, wo dann großes Heimweh einsetzte.
Franz, noch nie im Ausland, und erst später nach Haigerloch gekommen, war da eher gelangweilt, Heimweh war ihm ein Fremdwort.
Im Amisender AFN wurde viel geplaudert, wir verstanden nur „dis is eiäfän Schdudgad Emärikän fosis nädwök Jurob“ und meist gab es danach unverständliches Kauderwelsch und nur ganz selten den heiß ersehnten Rock’n Roll oder Calypso.
So verstrich die Speicher-Frei-Zeit. Durchs Rundfensterchen konnte ich über die Eyach hinweg direkt auf das Haigerlocher Schloss gegenüber blicken und weit dahinter im Osten war die Heimat, wo die Freunde von einst jetzt ins Freibad gingen.
Da kroch es wieder herauf, das Heimweh. Mit ihm kam die Angst vor Erwischtwerden. Widerwille vor der nächsten Pflichtübung erfasste mich, Abneigung gegen die Zwangsgemeinschaft da drunten ein paar Stockwerke tiefer. Natürlich durften wir nie Baden gehen sondern hatten jetzt gleich eine Lateinstunde und danach Kartoffelschälen, Studium, Segensandacht, Geistliche Lesung, Abendessen, Abendgebet und Bettgehen, fast alles unter Silentium und Aufsicht. Nichts worauf man sich freuen konnte, es sei denn, man las beim Studium im Klassenzimmer regelwidrig ein spannendes Buch, anstatt die Hausaufgaben zu machen. Aber auch das war gefährlich, denn Hück kam zur Überprüfung so lautlos zur Tür rein, dass er manchmal schon vor einem stand, bevor man das aufs offene Schulheft gelegte Buch verschwinden lassen konnte.
Warum war ich überhaupt hier? Ostern 1954 kam ich als 10-jähriger Dampfzug-Fahrschüler zuerst aufs Gymnasium Kirchheim. Meine Freunde gingen nach Nürtingen und Esslingen, die bessere Bahnverbindungen hatten, aber dorthin durfte ich nicht „wegen des schlechten Einflusses in den Arbeiterzügen“ wie Vater meinte. Da verlor ich mich in den einsamen täglichen Dampfzugfahrten und endlosen Bahnhofsaufenthalten nach Kirchheim, und fand keine Zeit mehr für Hausaufgaben.
Als dann nach 4 Wochen ein blauer Brief vom Gymnasium eintraf, wurde ich in die Haigerlocher Sexta, die erste Gymnasialklasse entsorgt. Ich bestand darauf, kein Priester werden zu wollen und sollte nur für ein oder zwei Jahre da bleiben, bis die Schulleistungen wieder besser würden. Ich konnte weiterhin Förster werden wollen, dazu brauchte man Latein, wie Mutter sagte und das gab es mehr als genug im Missionshaus, nämlich 11 Stunden die Woche, gegenüber 6 in Kirchheim. Zum Aufholen wurde tägliche Latein-Nachhilfe durch einen Mitschüler für mich vereinbart, was mein Vater dem Missionshaus gewiss großzügig entlohnte. Das war der Handel mit Superior Pater Eisele.
Nun war ich aber ganz regulär in die Untertertia gekommen und immer noch da. Die 3 1⁄2 Jahre im Internat ab dem 10. Lebensjahr hatten mich zum Missionshausinsassen verändert, der nur noch die Perspektive sah, Priester werden zu sollen. Der Gedanke eines Rechts auf bleibende Rückkehr in die Heimat war mir abhanden gekommen. Sogar mein jahrelanges Heimweh versackte allmählich.
Ich wollte irgendwie weg und wenn nicht heim, dann wenigstens Musik per Funk reinholen und mich ein Weilchen wie draußen fühlen. Zuletzt hatte ich hierzu den Radiomann gebaut und der verschaffte Franz und mir - ich hatte für ihn einen zweiten Kopfhörer angeschlossen – hoch über dem Missionshausleben thronend eine kumpelhafte Zusammengehörigkeit und eine vitale Verbindung zur Außenwelt, wo uns die richtige Musik den ganze Muff da unten vergessen ließ: „Rock Around The Clock“ statt „Beichten, Beten, Büßen“! Apropos „Clock“ - ich war einer von zwei Glöcknern und musste vielleicht gleich runter und das Ende der Mittagspause einläuten.
Ich ahnte, dass unsere Radio-Ausbrüche nicht mehr lang gut gehen konnten. Schon der Aufenthalt im Speicher war in der einstündigen „Mittagserholung“ keinesfalls gestattet.
Eines Tages wurde es ernst. Es begann mit einem kräftigen Luftzug von hinten: Jemand hatte die Zugangstür zum Speicher aufgemacht, denn heiße Luft entwich durch unsere Fensterröhre nach draußen und wir wussten, dass einer heraufgekommen war. Bald sahen wir auch jemand lautlos unter uns herumschleichen: es war der Hück auf Pirsch. Mit seiner hellen Gandura war er auch im Halbdunkel gut auszumachen. Er fand uns nicht auf unserm Hochsitz 5 m über ihm. Wir waren sicher, dass er anschließend einen Stock tiefer im Gang vor der Speichertreppe auf- und abwandelte und Brevier betend lauerte, um uns abzupassen, denn es gab nur diesen einen Speicherzugang. Natürlich hatte uns immer wieder jemand hinaufgehen sehn und Hück, der Inquisitor, hatte davon Wind bekommen.
Wir beschlossen, uns nicht erwischen zu lassen. Dann konnte es so aussehen, als ob wir nur eben mal kurz im Speicher was geholt hätten und Hück nicht gemerkt hätte, dass wir längst wieder unten waren. Auf der Suche nach einem alternativen Abstieg erinnerte sich Franz an einen Schacht im hölzernen Speicherboden. Dorthin machten wir uns auf den Weg und kamen an Weizenbergen vorbei, die in sandkastenartigen Rechteckverschalungen lagerten, gelangten zu der Stelle, wo die jungen Mauersegler hockten, denen beim Hochheben erbsengroß vollgesogene Zecken aus dem Gefieder kullerten. Dann durchquerten wir eine aus Brettern gezimmerte Kammer mit von innen verriegelbaren Türen, wo ein Uralt-Trichter-Grammophon, vergammelte Kissen und staubige Teppiche von gerüchteweise vernommenen Geheimtreffs eines „Clubs der Freunde“ kündeten und gleich dahinter standen wir ganz am nordwestlichen Speicherende vor dem gesuchten Durchbruch im Boden, unter dem ein dunkler Raum sich auftat.
Franz ließ sich an den Armen hinunter, sprang und kam gut auf. Als er von dort eine Tür ins Helle aufmachte, Ließ ich mich auch runter und wir befanden uns ein Stockwerk tiefer im Oratorium, dem Ort, wo die Patres um 5 Uhr in der Früh in dämmrigen Altarnischen mit ihrem Ministranten der täglichen Messlesepflicht nachkamen. Jetzt in der Mittagspause war alles menschenleer, aber wir waren noch nicht gerettet, denn der Ausgang des Oratoriums mündete in den selben Flur der auch zum Spei- cheraufgang führte und da wartete ja auf- und abwandelnd der Brevier betende Hück. Wir mussten noch ungesehen einen Stock tiefer kommen. In weiteren Erkundungen fanden wir im verzweigten Oratorium einen fast türgroßen schweren Bodendeckel, den der kräftige Franz anhob und wir blickten aus beträchtlicher Höhe in die Sakristei der Hauskapelle hinunter. Es war kein Sakristan zu sehen. Glücklicherweise lehnten schräg aufgestellt mächtige Teppichrollen unter der Luke an der Wand. Wir ließen uns auf deren Stirnflächen hinab und wollten von dort herunterrutschen und danach in die Hauskapelle gelangen. Aber über uns klaffte ja noch das schwarze Loch der offenen Decken-Luke und das wäre bei der täglichen Messvorbereitung sofort aufgefallen und hätte unseren Abgang verraten. Franz versuchte nun in seiner ungünstigen Lage auf den Teppichrollen den Bohlendeckel über sich und oberhalb der Decke wieder in Verschlussposition zu bugsieren. Das gelang nicht, und plötzlich war der ganze schwere Deckel durch die Diagonale des Bodenlochs dem Franz entgegengekommen. Wiegend balancierte er noch eine Weile die schwere Last, aber er hatte schon verloren. Um nicht selbst zu fallen, musste er loslassen und donnernd schlug die Bohlenkonstruktion 5 m tiefer auf dem hölzernen Sakristeiboden auf. Gleich werden welche hereinstürzen und wir sind ertappt, dachte ich. Durch die Decke in die Sakristei einzubrechen und schwere Gegenstände dort abwerfen, wo Messwein, Hostien, Messgewänder und heilige Geräte lagerten, das hätte sich zum schlimmen Sakrilegsvorwurf auswachsen können. Aber nichts geschah. Ein vorsichtiger Blick durch die einen Spalt weit geöffnete Tür in die Kapelle zeigte, dass auch dort niemand war, also hatten wir noch eine Chance. Irgendwie gelang es uns den Deckel wieder hochzuhieven und der starke Franz schaffte es schließlich die Luke damit zu verschließen. Dankbar für unsere Errettung beteten wir danach in der Kapelle. Als diese sich allmählich mit etwas Leben füllte, verließen wir sie als fromme Schüler, die gerade von einer „Besuchung“ kommen, das war der spontane Kapellenbesuch, der uns immer ans Herz gelegt wurde. Dass wir aus der Kapellenpforte heraustraten, ohne hineingegangen zu sein, fiel keinem auf. Derweil las Hück ein Stockwerk höher sicher noch lang in seinem Brevier und mag sich über einen fernen Polterer gewundert haben. Das Katz- und Mausspiel wiederholte sich noch ein paar Mal, bis mich Superior Hück eines Tages nach dem Mittagessen zur Seite nahm. Als kein Schüler mehr im Speisesaal war, fragte er mit leiser auf und ab bebender Stimme, was wir da auf dem Speicher trieben. Ich sagte „Radio hören“ und erwartete Belehrung und Strafe wegen gravierender Verletzung der Hausregeln. Im Hinterkopf hatte ich aber noch ganz gute Karten, denn „Radio hören“ kam weder in den 10 Geboten, noch in der Hausregel vor, es war ja auch „Hören“ und nicht „Sprechen“, das hätte verboten sein können. Ich erwartete technische Fragen zum Selbstbau- Radio oder wenigstens zum genialen Abgang übers Oratorium, denn auf beides war ich stolz und eine halbwegs saftige Strafe wäre Auszeichnung und tilgende Buße zugleich gewesen. Aber nichts dergleichen. „Was war denn da sonst noch“ fuhr er fort, jetzt mit seiner in Watte gebetteten Stimme. „Ihr Zwei habt doch noch was anderes miteinander ge- macht, sag mir das jetzt“. Ich war völlig perplex, wusste überhaupt nicht, was er wollte. Meine Erklärung über gemeinsam gelöste technische Probleme unterbrach er mit verächtlicher Miene. „Nein, nein, das will ich nicht wissen, sondern das andere, was ihr da zusammen gemacht habt.“ Ich merkte allmählich, dass er auf Untaten im sechsten Gebot hinauswollte und war so empört, dass mein wahrheitsgemäßes „Nichts“ kaum mehr über den Hals hinaus ins Freie fand. Da ließ er mich einfach stehen wie Abschaum. Kein Wort, keine Erklärung, keine Entschuldigung, keine Verabschiedung, nicht mal eine Strafe. Hücks Gemeinheit hatte mich tief getroffen. Aber bald fühlte ich, dass er noch betroffener sein musste als ich: Das erste Radio in Schülerhand wird ihm das kommende Ende seiner Abschottungspolitik klargemacht haben, und überdiese hatte ich ihn bei seiner verirrten Fantasie ertappt. Er ging mir ab da aus dem Weg und lud mich auch nicht mehr zum Tertialbesuch. Mein Radiohören hatte sich herumgesprochen und allenthalben entdeckte man Missionsschüler, die meist erfolglos an billigen Detektorradio-Bausätzen herumbastelten. In der Schülerzeitschrift „Guckloch“ kam dazu der Artikel: „Das Radio in der Seifendose“. Radiokönig wurde aber schließlich Kumpel Franz mit dem ersten Transistor - Taschenradio, das in den 3-Tage-Exerzitien im November beim stummen Pausen-Spaziergang gedämpft aus seiner Jackentasche erklang. Mein Radiomann war da längst stillgelegt. Schon bald wird alles anders sein! Ostern 1958 zieht meine Klasse planmäßig nach Großkrotzenburg um, während ich zum erfolgreichen Klassenwechsel endgültig nach Hause darf. Auch Superior Pater Hück wird wenig später aus Haigerloch abberufen! Und der Radiomann? Ich hatte ihn noch eine Weile aufgehoben, aber eines Tages war er verschwunden. Bestimmt ist er ist im Radiohimmel, bei den Ätherwellen, und spielt leise Musik!
